船舶氣象儀
- 產品型號
- TH-WQX5
- 產品品牌
- 云境天合

聯系人:李經理
聯系電話:15666887396
QQ:2248893324
公司地址:山東省濰坊市高新區光電路155號光電產業加速器
一、船舶氣象儀產品簡介
山東天合環境科技有限公司作為專業研發生產銷售微型氣象儀的企業,一直致力于微型氣象儀和氣象環境解決方案推廣應用。具有完整的生產鏈、實力雄厚的技術團隊和全面的營銷團隊,我們研發生產的超聲波風速風向儀、五要素微氣象儀、六要素微氣象儀和小型自動氣象站等氣象產品,已廣泛應用到氣象監測、城市環境監測、風力發電、航海船舶、航空機場、橋梁隧道等領域,客戶遍布全國各地,并取得了良好的社會效益和經濟效益。
與傳統的微型氣象儀相比,我司產品克服了對高精度計時器的需求,避免了因傳感器啟動延時、解調電路延時、溫度變化而造成的測量不準問題。
TH-WQX5型船舶氣象儀創新性地將風速、風向、溫度、濕度、大氣壓力通過一個高集成度結構來實現,可實現戶外氣象參數24小時連續在線監測,通過數字量通訊接口將五項參數一次性輸出給用戶。
二、船舶氣象儀產品特點
1、頂蓋隱藏式超聲波探頭,避免雨雪堆積的干擾,避免自然風遮擋
2、原理為發射連續變頻超聲波信號,通過測量相對相位來檢測風速風向
3、風速、風向、溫度、濕度、大氣壓力五要素一體式
4、采用先進的傳感技術,實時測量,無啟動風速☆
5、抗干擾能力強,具有看門狗電路,自動復位功能,保證系統穩定運行
6、高集成度,無移動部件,零磨損
7、免維護,無需現場校準
8、采用ASA工程塑料室外應用常年不變色
9、產品設計輸出信號標配為RS485通訊接口(MODBUS協議);可選配232、USB、以太網接口,支持數據實時讀取☆
10、可選配無線傳輸模塊,最小傳輸間隔1分鐘
11、探頭為卡扣式設計,解決了運輸、安裝過程松動不準的問題☆
三、船舶氣象儀技術參數
1、風速:0~60m/s(±0.1m/s);
2、風向:0~360°(±2°);
3、空氣溫度:-40-60℃(±0.3℃);
4、空氣濕度:0-100%RH(±3%RH);
5、大氣壓力:30-110Kpa(±0.25%);
6、生產企業具有ISO9001質量管理體系認證、計算機軟件注冊證書
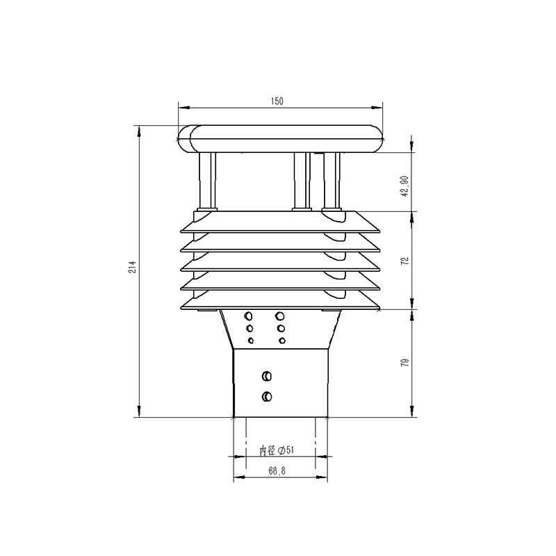
四、船舶氣象儀產品尺寸圖

五、船舶氣象儀產品結構圖

1、控制電路
2、指北箭頭
3、超聲波探頭
4、百葉箱
5、溫度、濕度、氣壓監測位置
6、底部固定法蘭
※此產品可選配電子羅盤、GPRS(內置)/GPS(二選一)
六、船舶氣象儀產品接線定義

定義 | 備注 | |
VCC | 電源正 | DC12V |
GND | 電源地 | |
485A | RS485A | |
485B | RS485B |
校園科研自動氣象站設備是現在氣象監測的關鍵設備,是現在氣象學發展的需要。氣候變化對不同領域環境的影響很大,對環境的影響也很大,現在氣候變化對社會環境影響很大,為了提高氣象學的發展,就可以使用校園科研自動氣象站進行監測,為氣象學發展提供氣象數據支持。校園科研自動氣象站設備的應用是現在氣象學發展的需要,
智能小型氣象站是隨著對環境保護和氣象監測不斷重視而設計生產的一款氣象監測設備,優勢就是可以在野外環境下進行長時間實時氣象監測。智能小型氣象站作為一款防護等級IP65以上的氣象監測設備,可以在農田、森林、草原、路邊等多種場景下進行氣象監測。智能小型氣象站為了保障氣象監測的實時性,根據使用場景不同,通過GPRS
在物聯網應用數據采集的基礎上,運用小型自動氣象站設備,開發了農作物農業形勢綜合監測系統,達到了對農作物苗期、水分、病蟲害、災害等四種條件的動態、高精度的監測。與此同時,基于現代農業信息技術,準確收集田間信息,將以往的傳統種植經驗轉化為精細數據支持,可以達到對農業醫藥、水肥的精確控制,減小浪費,減小污
自動識別吸蟲塔是一款圖像式蟲情測報設備,通過抽吸將害蟲收集,從而進行圖像式測報。在中草藥種植過程中,農業防治措施是有效減少中草藥栽培過程中病蟲害的防治措施,也是中草藥栽培過程中最常用的方法。由于成本低,具有一定的防治效果,廣泛應用于中草藥的栽培中。但是在防治之前,需要對蟲情進行精準監測,為防治提供數
自動小型氣象站TH-CQX6選擇需要注意什么?自動小型氣象站在選擇中要注意多種因素,不僅有廠家因素,還要注意使用場景、安裝要點等。自動小型氣象站的投入使用不僅提高了大氣探測的自動化水平,而且保證了人們的日常生產和生活中對氣象的監測。
TH-WQX6型六要素微氣象儀就是六要素氣象傳感器,是一款將氣象標準六要素通過傳感器結構實時監測氣象要素的儀器。六要素氣象傳感器的工作原理就是發射連續變頻超聲波信號,以此來測量各種氣象要素。隨著現在社會的不斷發展,各種空氣污染情況也是隨之出現,而六要素氣象傳感器就是一款可以適用于多個場景的用來監測空氣質量的
15666887396
