溫濕度大氣壓噪聲傳感器
- 產品型號
- TH-B4
- 產品品牌
- 云境天合

聯系人:李經理
聯系電話:15666887396
QQ:2248893324
公司地址:山東省濰坊市高新區光電路155號光電產業加速器
一、溫濕度大氣壓噪聲傳感器產品簡介
山東天合環境科技有限公司作為專業研發生產氣象傳感器的企業,一直致力于氣象傳感器和氣象環境解決方案推廣應用。具有完整的生產鏈、實力雄厚的技術團隊和全面的營銷團隊,我們研發生產的傳感器已廣泛應用到智慧農業、氣象監測、城市環境監測、風力發電、航海船舶、航空機場、橋梁隧道等領域,客戶遍布全國各地,并取得了良好的社會效益和經濟效益。
二、溫濕度大氣壓噪聲傳感器產品特點
1、抗干擾能力強,具有看門狗電路,自動復位功能,保證系統穩定運行
2、高集成度,無移動部件,零磨損
3、免維護,無需現場校準
4、采用ASA工程塑料室外應用常年不變色
5、產品設計輸出信號標配為RS485通訊接口(MODBUS協議);可選配232、USB、以太網接口,支持數據實時讀取☆
6、可選配無線傳輸模塊,最小傳輸間隔1分鐘
三、溫濕度大氣壓噪聲傳感器技術參數
1、空氣溫度:-40-60℃(±0.3℃);
2、空氣濕度:0-100%RH(±3%RH);
3、大氣壓力:30-110Kpa(±0.25%);
4、噪聲:30-120dB(±1.5dB)
5、功率:0.12W
6、生產企業具有ISO9001質量管理體系認證、計算機軟件注冊證書
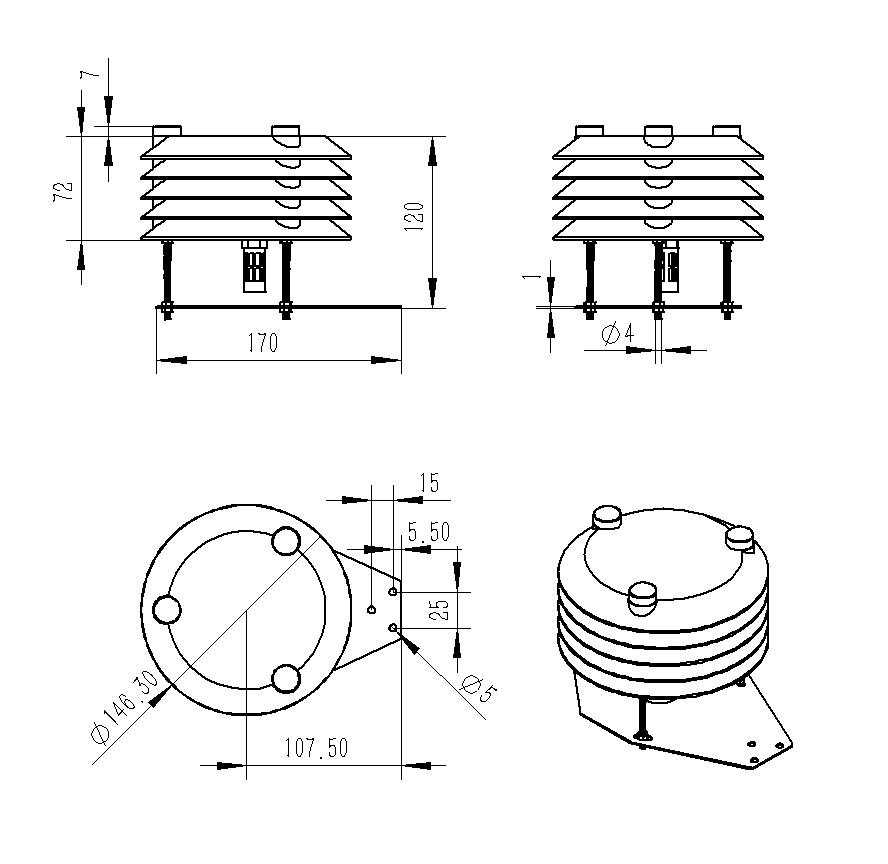
四、溫濕度大氣壓噪聲傳感器產品尺寸圖

五、溫濕度大氣壓噪聲傳感器產品結構圖

肉類快速鑒別檢測儀是現在對肉類進行鑒別的一款精密儀器,人工加工肉制品含有亞硝酸鹽,尤其是罐裝肉制品。過量攝入亞硝酸鹽會導致食物中毒、頭痛、頭暈、胸悶、氣短、惡心嘔吐、腹痛、腹瀉等癥狀,長期食用甚至會致癌。所以隨著食品安全的重視,使用肉類快速鑒別檢測儀對肉類進行精準檢測,保障食品安全。肉類快速鑒別檢測
熟悉我們公司的用戶朋友一定會知道,我們山東天合環境有一個產品系列是防爆氣象站系列。一般的用戶朋友可能不太了解這個產品系列,因為這個產品使用范圍沒有那么廣泛,它主要是用在工業生產領域的氣象監測設備。天合防爆氣象站具體能夠使用在哪些場景中呢?我們先來看一下該設備的特點。其中最大的特點就是其自身的防爆性能
農業小型氣象站是山東云境天合設計生產的一款氣象監測設備,在農業中的應用是提高農業氣象監測水平的重要設備。10多年來,國內外許多學者研究了大氣二氧化碳濃度增加對作物生產力的氣候變化和影響,其中大氣二氧化碳濃度倍增對作物生理和生長發育的研究較多。隨著農業科技的發展,農業小型氣象站設備廣泛應用。農業小型氣象
手持農業氣象站對農業氣象的監測不僅方便了相關農業科研工作的開展,而且為進一步了解不同植物與氣候環境的關系提供了數據支持,為特色產業的發展指明了方向。手持式氣象站,又稱手持氣象儀,山東天合TH-SQ5手持農業氣象站是一款集多項氣象要素于一體的可移動式氣象觀測儀器。手持農業氣象站能夠同時對多種農業氣象要素進行
松材線蟲病疫區檢測儀器就是現在對松材線蟲進行精準檢測的一款設備,通過熒光定量PCR技術對松材線蟲進行精準監測就可以快速檢測松材線蟲。多年來,一些地區隱瞞或少報告疫情。近年來,國家林業和草原局通過衛星遙感監測、現場檢查、監督問責措施等方式,疫情報告數據更接近現實。從人工純林擴散到針闊混交林,早期松線蟲病只
雪深監測站的原理是什么?雪深監測站顧名思義,就是監測積雪深度的一款設備,TH-XS1型的原理是通過超聲波原理對雪的識別與測量技術,通過監測所在位置的距離,得出雪的厚度,從而分析出單位時間的降雪量的一款精密的雪深監測設備。雪深監測站在目前雪災監測中發揮了很大的作用,積雪覆蓋地面,可能導致野生動物因缺乏食物而餓
15666887396
