六要素空氣質量傳感器
- 產品型號
- TH-B6
- 產品品牌
- 云境天合

聯系人:李經理
聯系電話:15666887396
QQ:2248893324
公司地址:山東省濰坊市高新區光電路155號光電產業加速器
一、六要素空氣質量傳感器產品簡介
山東天合環境科技有限公司作為專業研發生產氣象傳感器的企業,一直致力于氣象傳感器和氣象環境解決方案推廣應用。具有完整的生產鏈、實力雄厚的技術團隊和全面的營銷團隊,我們研發生產的傳感器已廣泛應用到智慧農業、氣象監測、城市環境監測、風力發電、航海船舶、航空機場、橋梁隧道等領域,客戶遍布全國各地,并取得了良好的社會效益和經濟效益。
二、六要素空氣質量傳感器產品特點
1、抗干擾能力強,具有看門狗電路,自動復位功能,保證系統穩定運行
2、高集成度,無移動部件,零磨損
3、免維護,無需現場校準
4、采用ASA工程塑料室外應用常年不變色
5、產品設計輸出信號標配為RS485通訊接口(MODBUS協議);可選配232、USB、以太網接口,支持數據實時讀取☆
6、可選配無線傳輸模塊,最小傳輸間隔1分鐘
三、六要素空氣質量傳感器技術參數
1、空氣溫度:-40-60℃(±0.3℃);
2、空氣濕度:0-100%RH(±3%RH);
3、大氣壓力:30-110Kpa(±0.25%);
4、PM2.5:0-1000ug/m3(±10%)
5、PM10:0-1000ug/m3(±10%)
6、噪聲:30-120dB(±1.5dB)
7、功率:0.72W
8、生產企業具有ISO9001質量管理體系認證、計算機軟件注冊證書
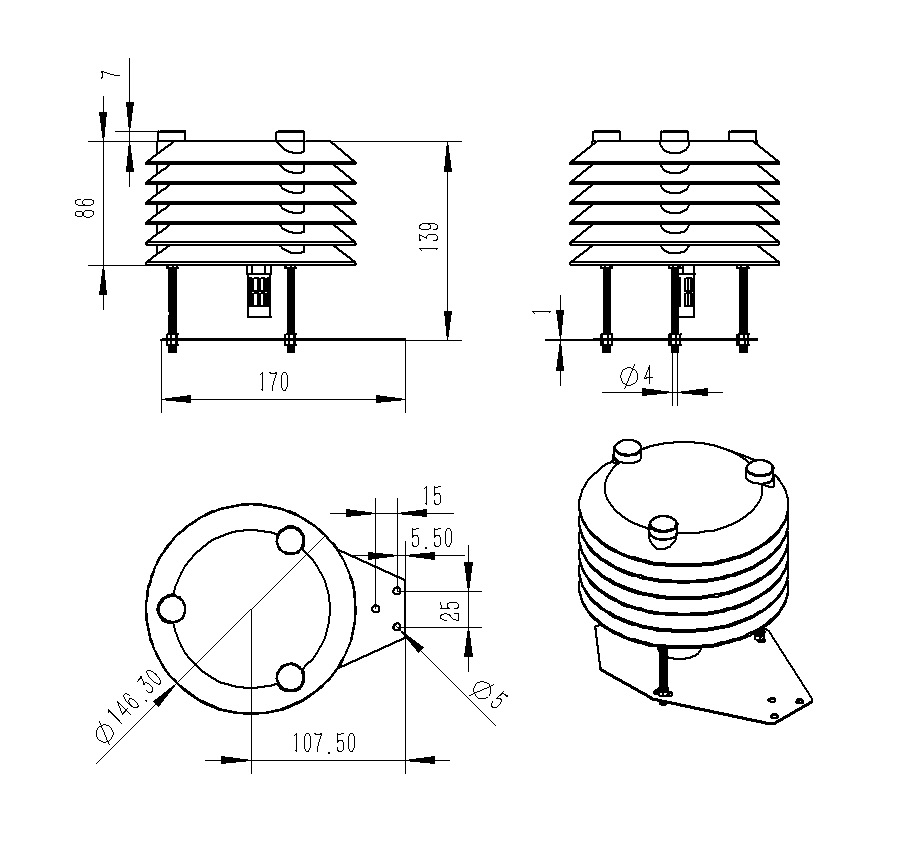
四、六要素空氣質量傳感器產品尺寸圖

五、六要素空氣質量傳感器產品結構圖

肉類快速鑒別檢測儀是現在快速檢測肉類的一款設備,而熒光定量PCR儀是一種高精度、高靈敏度的分子生物學工具,廣泛應用于基因檢測、疾病診斷、藥物研發等領域。使用熒光定量PCR儀可以為我們進行肉類檢測提供設備支持。火腿腸是很多人都喜歡的零食,還有熱狗、雞腸、玉米腸等,這些食物通常會添加大量的防腐劑,以確保長期保
蟲情測報燈TH-CQ2S是一款新型的標準圖像式蟲情測報設備,在農業、果園、茶園、園林綠化等領域有廣泛應用,為我們防治害蟲提供數據支持。城市景觀促進了社會經濟和文化的持續發展,進一步改善了物質文明和精神文明的建設。許多城市都在努力創建國家生態園林城市,大力開展城市景觀建設,大大改善了城市環境,吸引了更多的投資
熒光定量PCR檢測儀是一款在醫學診斷、基因工程、生物學研究等領域,非常有效的分子生物工具。在水產病毒檢測中有廣泛應用,診斷如蝦白斑、黃頭病毒、血細胞虹彩病毒、羅湖病毒、錦鯉皰疹病毒等疾病。黃頭病可在3-5天內引起100%的死亡率,通常發生在養殖對蝦50-70天之間,特別是在養殖密度高的池塘中。蝦苗是養殖成功的決定性
秋末冬初,天干物干,又是火災“肆虐”當時,我國森林分布廣泛,地理環境復雜多樣,森林火災時有發生。即使近年來火災頻率逐年下降,森林火災也具有影響廣泛、持續時間長的特點。考慮到影響很大,員工仍然不能掉以輕心。森林火災一旦發生,就會造成很嚴重的生命財產損失,所以對森林火險的監測就很重要。天合環境森林火險監
事實上,小型氣象站并不一定很小,通常是幾米高,根據傳統的名稱,我們稱之為小型氣象站。因為它可以自動監控和傳輸數據,所以它也成為了一個自動氣象站。因此,人們有時也稱它為小型自動氣象站。小型自動氣象站也分為機械型和超聲波型,一般來說,機械由于價格優惠,使用較為普遍。超聲波精度高,價格昂貴,精度要求高的單
隨著氣候變暖的發展,許多地區正面臨著氣象災害的侵襲,造成了一定的經濟損失,嚴重影響了人們的生活和經濟社會的發展。因此,在氣象技術不斷發展的背景下,我們需要使用氣象技術,借助氣象監測設備、自動氣象站等氣象觀測儀器,加強對區域天氣、氣候的持續監測,為可能發生的各種災害性天氣預警提供詳細的氣象信息。那么小
15666887396
