智慧路燈監測傳感器
- 產品型號
- TH-B6B
- 產品品牌
- 云境天合

聯系人:李經理
聯系電話:15666887396
QQ:2248893324
公司地址:山東省濰坊市高新區光電路155號光電產業加速器
一、智慧路燈監測傳感器產品簡介
山東天合環境科技有限公司作為專業研發生產銷售微型氣象儀的企業,一直致力于微型氣象儀和氣象環境解決方案推廣應用。具有完整的生產鏈、實力雄厚的技術團隊和全面的營銷團隊,我們研發生產的超聲波風速風向儀、五要素微氣象儀、六要素微氣象儀和小型自動氣象站等氣象產品,已廣泛應用到氣象監測、城市環境監測、風力發電、航海船舶、航空機場、橋梁隧道等領域,客戶遍布全國各地,并取得了良好的社會效益和經濟效益。
與傳統的微型氣象儀相比,我司產品克服了對高精度計時器的需求,避免了因傳感器啟動延時、解調電路延時、溫度變化而造成的測量不準問題。
TH-WQX6B型智慧路燈監測傳感器創新性地將空氣溫度、濕度、pm2.5、pm10、噪聲、光照通過一個高集成度結構來實現,可實現戶外氣象參數24小時連續在線監測,通過數字量通訊接口將六項參數一次性輸出給用戶。
二、智慧路燈監測傳感器產品特點
1、空氣溫度、濕度、pm2.5、pm10、噪聲、光照六要素一體式(實用新型專利,專利號ZL 2020 2 3215649.5)☆
2、抗干擾能力強,具有看門狗電路,自動復位功能,保證系統穩定運行
3、高集成度,無移動部件,零磨損
4、免維護,無需現場校準
5、采用ASA工程塑料室外應用常年不變色
6、產品設計輸出信號標配為RS485通訊接口(MODBUS協議);可選配232、USB、以太網接口,支持數據實時讀取☆
7、可選配無線傳輸模塊,最小傳輸間隔1分鐘
三、智慧路燈監測傳感器技術參數
1)空氣溫度:-40℃~85℃(±0.3℃);(北京市氣象局校準證書)☆
2)空氣濕度:0~100%RH(±2%RH);(北京市氣象局校準證書)☆
3)PM2.5:0-1000ug/m3(±15%)
4)PM10:0-1000ug/m3(±15%)
5)噪聲:30~120dB(±1.5dB)
6)光照:()
7)生產企業具有ISO9001質量管理體系、環境管理體系和職業健康管理體系認證☆
8)生產企業具有知識產權管理體系認證證書和計算機軟件注冊證書☆
9)生產企業為3A級信用企業☆
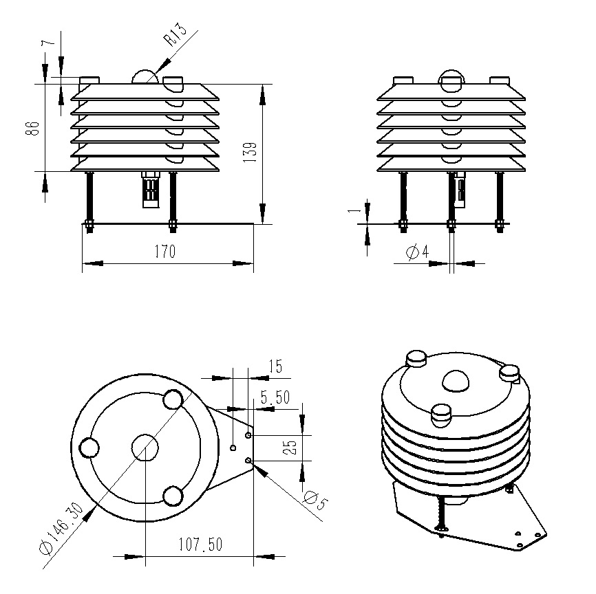
四、智慧路燈監測傳感器產品尺寸圖

五、智慧路燈監測傳感器產品結構圖

小型氣象站是一款智能微型氣象監測設備,是山東云境天合設計生產的一款氣象實時監測設備。在古代,農民需要根據自然現象確定種植和收獲的機會,以獲得最佳的作物產量。因此,通過觀察自然的變化來判斷季節的變化。而現在使用小型氣象站對農田氣象進行監測是保障農業發展的需要。隨著時間的推移,人們開始將這些觀察到的自然
超聲波氣象站設備現在野外氣象觀測的重要設備,廣泛運用于氣象、農業、林業、環保、海洋、機場、港口、科學考察、校園教育等領域,為各個場景下的氣象監測提供數據支持。2013年4月6日,武漢高鐵列車遇到大風,將車速降至每小時250公里,造成當天19趟高鐵晚點。所以惡劣天氣對我們日常出行的影響是很大的,隨著現在科技的發展,使用超聲波氣象站設備對氣象進行監測,為我們應對惡劣天氣提供數據支持。超聲波氣象站設備廠家山東天合環境是一家專門設計生產氣象監測設備的廠家,通過使用高集成的氣象傳感器,對空氣中多種氣象要素進行精準監測,在通過多種傳輸途徑將氣象數據傳輸給用戶,從而為我們了解氣象,研究氣象提供數據支持。
傳感器在如今的生活中應用很廣泛,最為常見的是自動門,我們今天介紹的是由山東天合環境一體式微氣象站傳感器廠家給您帶來的關于一體式微氣象傳感器的介紹。我們這款一體式微氣
強對流天氣是夏季最常見的災害性天氣,具有發生突然、移動快、天氣劇烈等特點。強對流天氣空間規模小,但破壞力強,持續時間短,容易引起局部內澇、冰雹災害和雷擊事件,損壞作物和農業設施,嚴重影響農業生產。所以在野外環境下會使用小型氣象站對農業氣象進行監測,對自然災害進行預警。山東天合環境小型氣象站設備是一款
農業氣象站作為現代農業的重要組成部分,承擔著監測和分析氣象數據的重任,旨在為農民和農業管理者提供有力的決策支持。通過實時監測溫度、濕度、風速、風向及降雨量等關鍵信息,農業氣象站不僅提高了作物的生長質量與產量,還為農業的可持續發展提供了重要保障。首先,氣象因素對農業生產具有深遠的影響。氣候的變化,無論
洞庭湖鹿角水位站各個時間水位變化11.75米,鄱陽湖康山水位站水位變化5.86米。水位變化很大,湖泊面積和水量變化很大,這些湖泊有“干水線,洪水”的自然場景。淮河流域和長江下游湖泊水位的年變化,一般為1.50~2.50米。而隨著對水資源的監測就可以使用中小河道流量監測系統進行水文信息監測。中小河道流量監測系是一款水文
15666887396
