路面狀況傳感器
- 產品型號
- TH-LM1
- 產品品牌
- 云境天合

聯系人:李經理
聯系電話:15666887396
QQ:2248893324
公司地址:山東省濰坊市高新區光電路155號光電產業加速器
一、路面狀況傳感器產品介紹
TH-LM1系列非接觸式路面狀態檢測器,它采用遙感技術,避免了對道路的破壞,從而不會因為安裝道路氣象站引起的對交通的干擾。多光譜測量技術使得能準確檢測道出道路表面結冰、積雪和積水的存在狀態和厚度,同時還能實時監測影響交通安全的大霧、雨和雪等天氣現象。
二、路面狀況傳感器功能
1.檢測路面積水、積雪、結冰狀態
2.遠距離遙感檢測路面、橋面狀況
3.非埋入式安裝快捷簡便
4.車流量和事故多發區域
5.雨雪多發區域
6.維護成本低
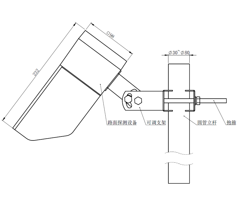
三、路面狀況傳感器產品尺寸圖

四、路面狀況傳感器主要指標
型號 | TH-LM3(停售) | TH-LM1 |
檢測距離及檢測區域直徑 | 2-8米;23cm | |
對水平線的安裝角度 | 30-80度 | |
電源及功耗 | DC12-24V; 0.6W | |
工作溫度和濕度 | 溫度:-40 oC 至 +60 oC ; 濕度:0 至 95% | |
積水厚度 | - | 0-10 mm |
覆冰厚度 | - | 0-2 mm |
積雪厚度 | - | 0-2 mm |
濕滑程度 | - | 0.01(濕滑)-0.82(摩擦強) |
路面狀態報告 | 干燥、 潮、 濕、 雪、 冰、 冰水混合 | |
公路天氣現象(選配) | 路面溫度: -40 oC 至 +60 oC | |
天氣現象: 雨;雪;大霧 | ||
路面材料 | 混凝土、瀝青路面 | |
通訊 | RS485、RS232 | |
公路氣象站TH-GQX8是一款可以對交通能見度、路面狀況、空氣溫濕度、風速風向等要素進行精準實時監測的設備,是目前交通氣象監測的重要設備。2003年12月7日,受強冷空氣影響,北京下了一場小雪,導致道路結冰。當晚,北京整個城市的交通癱瘓,機動車完全擁堵在車道上,很難移動。所以,增強交通氣象服務水平,就可以在一定程
空氣質量監測站就是一款超聲波氣象站,是可以對區域氣象要素進行精準監測的設備,可以用于監測和評估一個特定地區的空氣質量狀況。它們的目的是收集和分析大氣中的污染物,以確定空氣中各種污染物的濃度水平,并提供相關數據以供決策者和公眾使用。這些站點的存在對于了解和解決環境問題至關重要,并且在當今環保和健康意識
農業四情監測系統是現在農田環境監測、作物生長狀況實時監測的一款設備,北方干旱災害面積擴大,南方洪澇災害加重。農業生產不穩定性增加,局部干旱高溫危害加重。自20世紀50年代以來,我國多條河流的測量徑流量呈下降趨勢,北方部分河流被切斷。同時,當地洪水頻繁發生。氣象災害嚴重影響了農業發展,所以提高農業科技水平
事實上,小型氣象站并不一定很小,通常是幾米高,根據傳統的名稱,我們稱之為小型氣象站。因為它可以自動監控和傳輸數據,所以它也成為了一個自動氣象站。因此,人們有時也稱它為小型自動氣象站。小型自動氣象站也分為機械型和超聲波型,一般來說,機械由于價格優惠,使用較為普遍。超聲波精度高,價格昂貴,精度要求高的單
昨天,我們度過了秋天的第一個節氣“立秋”。雖然天氣沒有馬上變得涼爽,但能感覺到暑氣已經開始慢慢消散了,悶熱結束固然是好事,但季節交替時的忽冷忽熱也不得不防,夏秋換季是感冒的高發時段,為了避免它給我們生活工作帶來不便,我們還是應該關注天氣變化,注意加衣減衣,加強鍛煉,提高免疫力~那么,如何能夠盡知立秋時
超聲波氣象站設備現在野外氣象觀測的重要設備,廣泛運用于氣象、農業、林業、環保、海洋、機場、港口、科學考察、校園教育等領域,為各個場景下的氣象監測提供數據支持。2013年4月6日,武漢高鐵列車遇到大風,將車速降至每小時250公里,造成當天19趟高鐵晚點。所以惡劣天氣對我們日常出行的影響是很大的,隨著現在科技的發展,使用超聲波氣象站設備對氣象進行監測,為我們應對惡劣天氣提供數據支持。超聲波氣象站設備廠家山東天合環境是一家專門設計生產氣象監測設備的廠家,通過使用高集成的氣象傳感器,對空氣中多種氣象要素進行精準監測,在通過多種傳輸途徑將氣象數據傳輸給用戶,從而為我們了解氣象,研究氣象提供數據支持。
15666887396
